?

實用專利
一種玻璃鋼脫硫除塵裝置
日期:2020-09-14 15:09瀏覽次數:
說 明 書 摘 要
本實用新型提供一種玻璃鋼脫硫除塵裝置,涉及除塵裝置領域,包括集料池,所述集料池頂部的右側固定連接有除塵箱,所述除塵箱內表面的底部開設有連通孔,所述除塵箱外表面的左側固定連接有進氣管,所述進氣管的一端貫穿所述除塵箱且延伸至所述除塵箱的內部,所述除塵箱的頂部開設有出氣口,所述集料池外表面的左側固定連接有支撐板,所述支撐板的頂部固定連接有電機。本實用新型通過在集料池中設置電機、絲桿及滑桿,使清洗組件可在集料池內部左右移動,從而對集料池內壁的底部進行刮洗,避免集料池底部聚集過多垃圾,影響除塵裝置對廢棄進行處理,同時也會影響水箱對集料箱中廢水的再利用。

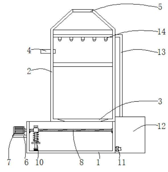
1.一種玻璃鋼脫硫除塵裝置,其特征在于:包括集料池(1),所述集料池(1)頂部的右側固定連接有除塵箱(2),所述除塵箱(2)內表面的底部開設有連通孔(3),所述除塵箱(2)外表面的左側固定連接有進氣管(4),所述進氣管(4)的一端貫穿所述除塵箱(2)且延伸至所述除塵箱(2)的內部,所述除塵箱(2)的頂部開設有出氣口(5),所述集料池(1)外表面的左側固定連接有支撐板(6),所述支撐板(6)的頂部固定連接有電機(7),所述電機(7)輸出軸的一端通過聯軸器固定連接有絲桿(8),所述絲桿(8)的一端貫穿所述集料池(1)且與所述集料池(1)內表面的右側轉動連接,集料池(1)的內表面且位于所述絲桿(8)的背面固定連接有滑桿(9),所述絲桿(8)的表面螺紋連接有清洗組件(10),所述清洗組件(10)的一端與所述滑桿(9)滑動連接。
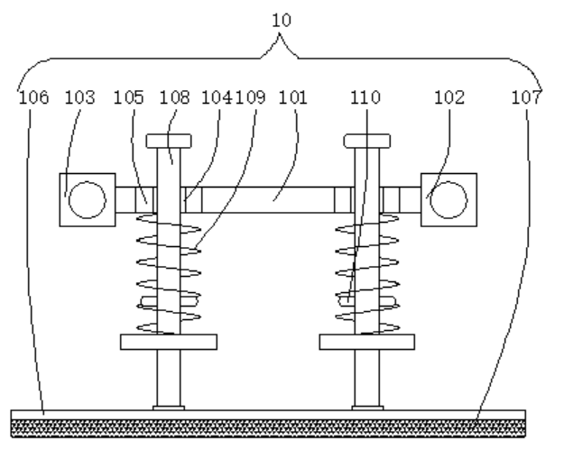
2.根據權利要求1所述的玻璃鋼脫硫除塵裝置,其特征在于:所述清洗組件(10)包括連接板(101),所述連接板(101)的一端固定連接有螺紋塊(102),所述螺紋塊(102)與所述絲桿(8)螺紋連接,所述連接板(101)的另一端固定連接有滑塊(103),所述滑塊(103)與所述滑桿(9)滑動連接。
3.根據權利要求2所述的玻璃鋼脫硫除塵裝置,其特征在于:所述連接板(101)頂部的左右兩側均開設有第一連接槽(104),所述第一連接槽(104)內表面的左右兩側均連通有第二連接槽(105)。
4.根據權利要求3所述的玻璃鋼脫硫除塵裝置,其特征在于:所述連接板(101)的底部設置有固定板(106),所述固定板(106)的底部設置有刮板(107),所述固定板(106)頂部的左右兩側均轉動連接有連接桿(108)。
5.根據權利要求4所述的玻璃鋼脫硫除塵裝置,其特征在于:所述連接桿(108)的表面與所述連接板(101)之間固定連接有彈簧(109),所述連接桿(108)表面的左右兩側且位于所述彈簧(109)的底部固定連接有卡塊(110)。
6.根據權利要求1所述的玻璃鋼脫硫除塵裝置,其特征在于:所述集料池(1)外表面的右側設置有出液管(11),所述集料池(1)外表面的右側且位于所述出液管(11)的背面固定連接有水箱(12)。
7.根據權利要求6所述的玻璃鋼脫硫除塵裝置,其特征在于:所述水箱(12)的頂部設置有進液管(13),所述進液管(13)的一端貫穿所述除塵箱(2)且延伸至所述除塵箱(2)的內部,所述進液管(13)外表面的底部設置有噴頭(14)。
2.根據權利要求1所述的玻璃鋼脫硫除塵裝置,其特征在于:所述清洗組件(10)包括連接板(101),所述連接板(101)的一端固定連接有螺紋塊(102),所述螺紋塊(102)與所述絲桿(8)螺紋連接,所述連接板(101)的另一端固定連接有滑塊(103),所述滑塊(103)與所述滑桿(9)滑動連接。
3.根據權利要求2所述的玻璃鋼脫硫除塵裝置,其特征在于:所述連接板(101)頂部的左右兩側均開設有第一連接槽(104),所述第一連接槽(104)內表面的左右兩側均連通有第二連接槽(105)。
4.根據權利要求3所述的玻璃鋼脫硫除塵裝置,其特征在于:所述連接板(101)的底部設置有固定板(106),所述固定板(106)的底部設置有刮板(107),所述固定板(106)頂部的左右兩側均轉動連接有連接桿(108)。
5.根據權利要求4所述的玻璃鋼脫硫除塵裝置,其特征在于:所述連接桿(108)的表面與所述連接板(101)之間固定連接有彈簧(109),所述連接桿(108)表面的左右兩側且位于所述彈簧(109)的底部固定連接有卡塊(110)。
6.根據權利要求1所述的玻璃鋼脫硫除塵裝置,其特征在于:所述集料池(1)外表面的右側設置有出液管(11),所述集料池(1)外表面的右側且位于所述出液管(11)的背面固定連接有水箱(12)。
7.根據權利要求6所述的玻璃鋼脫硫除塵裝置,其特征在于:所述水箱(12)的頂部設置有進液管(13),所述進液管(13)的一端貫穿所述除塵箱(2)且延伸至所述除塵箱(2)的內部,所述進液管(13)外表面的底部設置有噴頭(14)。
一種玻璃鋼脫硫除塵裝置
技術領域
本實用新型涉及除塵裝置領域,尤其涉及一種玻璃鋼脫硫除塵裝置。
背景技術
玻璃鋼即纖維強化塑料,一般指用玻璃纖維增強不飽和聚酯、環氧樹脂與酚醛樹脂基體,以玻璃纖維或其制品作增強材料的增強塑料,稱謂為玻璃纖維增強塑料,或稱為玻璃鋼,不同于鋼化玻璃。
玻璃鋼學名纖維增強塑料,即纖維增強復合塑料。根據采用的纖維不同分為玻璃纖維增強復合塑料,碳纖維增強復合塑料,硼纖維增強復合塑料等,現有的玻璃鋼在生產過程中需要使用脫硫除塵裝置對煙氣進行噴淋水洗,使雜質沉淀到池底,但是水池內沉淀的灰塵大多是采用人工處理的方式,效率低的同時也浪費人工。
實用新型內容
本實用新型的目的在于提供一種玻璃鋼脫硫除塵裝置,以解決上述技術問題。
本實用新型為解決上述技術問題,采用以下技術方案來實現:一種玻璃鋼脫硫除塵裝置,包括集料池,所述集料池頂部的右側固定連接有除塵箱,所述除塵箱內表面的底部開設有連通孔,所述除塵箱外表面的左側固定連接有進氣管,所述進氣管的一端貫穿所述除塵箱且延伸至所述除塵箱的內部,所述除塵箱的頂部開設有出氣口,所述集料池外表面的左側固定連接有支撐板,所述支撐板的頂部固定連接有電機,所述電機輸出軸的一端通過聯軸器固定連接有絲桿,所述絲桿的一端貫穿所述集料池且與所述集料池內表面的右側轉動連接,集料池的內表面且位于所述絲桿的背面固定連接有滑桿,所述絲桿的表面螺紋連接有清洗組件,所述清洗組件的一端與所述滑桿滑動連接。
通過在集料池中設置電機、絲桿及滑桿,使清洗組件可在絲桿和滑桿的帶動下移動,刮板與集料池內壁的底部接觸,將集料池底部的臟污刮下來,在螺紋塊移動到集料池內壁的右側后,與內壁上的開關接觸,電機開始反轉,從而使清洗組件沿著絲桿再向集料池內壁的左側移動,通過電機、絲桿及滑桿與清洗組件之間的配合,使清洗組件可在集料池內部左右移動,從而對集料池內壁的底部進行刮洗,避免集料池底部聚集過多垃圾,影響除塵裝置對廢棄進行處理,同時也會影響水箱對集料箱中廢水的再利用。
進一步地,所述清洗組件包括連接板,所述連接板的一端固定連接有螺紋塊,所述螺紋塊與所述絲桿螺紋連接,所述連接板的另一端固定連接有滑塊,所述滑塊與所述滑桿滑動連接。
進一步地,所述連接板頂部的左右兩側均開設有第一連接槽,所述第一連接槽內表面的左右兩側均連通有第二連接槽。
進一步地,所述連接板的底部設置有固定板,所述固定板的底部設置有刮板,所述固定板頂部的左右兩側均轉動連接有連接桿。
進一步地,所述連接桿的表面與所述連接板之間固定連接有彈簧,所述連接桿表面的左右兩側且位于所述彈簧的底部固定連接有卡塊。
清洗組件使用好后,還可將連接桿、刮板等向上拉動,使刮板與集料池底部有一定距離,避免刮板等一直浸沒再集料池內部的水中,長時間對刮板等造成損壞。
進一步地,所述集料池外表面的右側設置有出液管,所述集料池外表面的右側且位于所述出液管的背面固定連接有水箱。
進一步地,所述水箱的頂部設置有進液管,所述進液管的一端貫穿所述除塵箱且延伸至所述除塵箱的內部,所述進液管外表面的底部設置有噴頭。
本實用新型的有益效果是:
本實用新型通過在集料池中設置電機、絲桿及滑桿,使清洗組件可在絲桿和滑桿的帶動下移動,刮板與集料池內壁的底部接觸,將集料池底部的臟污刮下來,在螺紋塊移動到集料池內壁的右側后,與內壁上的開關接觸,電機開始反轉,從而使清洗組件沿著絲桿再向集料池內壁的左側移動,通過電機、絲桿及滑桿與清洗組件之間的配合,使清洗組件可在集料池內部左右移動,從而對集料池內壁的底部進行刮洗,避免集料池底部聚集過多垃圾,影響除塵裝置對廢棄進行處理,同時也會影響水箱對集料箱中廢水的再利用,清洗組件使用好后,還可將連接桿、刮板等向上拉動,使刮板與集料池底部有一定距離,避免刮板等一直浸沒再集料池內部的水中,長時間對刮板等造成損壞。
附圖說明
圖1為本實用新型的內部結構示意圖;
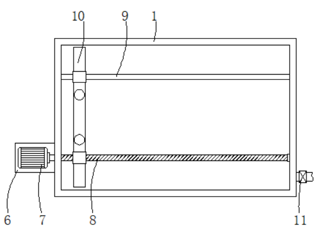
圖2為本實用新型的集料池的內部結構俯視圖;
圖3為本實用新型的清洗組件的內部結構示意圖;
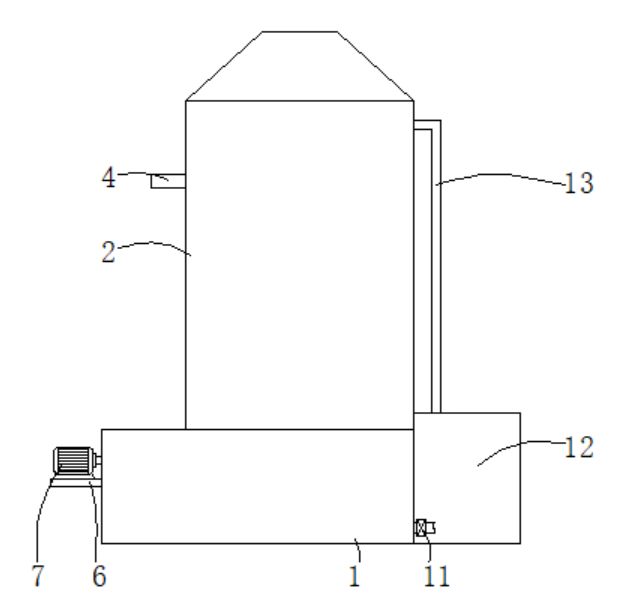
圖4為本實用新型的外部結構示意圖。
附圖標記:1-集料池、2-除塵箱、3-連通孔、4-進氣管、5-出氣口、6-支撐板、7-電機、8-絲桿、9-滑桿、10-清洗組件、101-連接板、102-螺紋塊、103-滑塊、104-第一連接槽、105-第二連接槽、106-固定板、107-刮板、108-連接桿、109-彈簧、110-卡塊、11-出液管、12-水箱、13-進液管、14-噴頭。
具體實施方式
為了使本實用新型實現的技術手段、創作特征、達成目的與功效易于明白了解,下面結合具體實施例和附圖,進一步闡述本實用新型,但下述實施例僅僅為本實用新型的優選實施例,并非全部。基于實施方式中的實施例,本領域技術人員在沒有做出創造性勞動的前提下所獲得其它實施例,都屬于本發明的保護范圍。
下面結合附圖描述本實用新型的具體實施例。
如圖1-4所示,一種玻璃鋼脫硫除塵裝置,包括集料池1,所述集料池1頂部的右側固定連接有除塵箱2,所述除塵箱2內表面的底部開設有連通孔3,所述除塵箱2外表面的左側固定連接有進氣管4,所述進氣管4的一端貫穿所述除塵箱2且延伸至所述除塵箱2的內部,所述除塵箱2的頂部開設有出氣口5,所述集料池1外表面的左側固定連接有支撐板6,所述支撐板6的頂部固定連接有電機7,所述電機7輸出軸的一端通過聯軸器固定連接有絲桿8,所述絲桿8的一端貫穿所述集料池1且與所述集料池1內表面的右側轉動連接,集料池1的內表面且位于所述絲桿8的背面固定連接有滑桿9,所述絲桿8的表面螺紋連接有清洗組件10,所述清洗組件10的一端與所述滑桿9滑動連接。
集料池1的長度比除塵箱2的長度長,除塵箱2的底部與集料池1的頂部是焊接在一起的,除塵箱2的內部是用來對氣體中的灰塵進行處理的,避免灰塵直接排放到外界環境中,對環境造成污染,連通孔3是上大下小的,方便水和雜質一起留到集料池1中,進氣管4的一端是與玻璃鋼上產裝置連接的,支撐板6的一側是與集料池1的外表面通過螺栓固定在一起的,電機7的底部是通過螺栓與支撐板6固定在一起的,電機7是減速電機,通過電源線與外部電源連接,絲桿8延伸進集料池1內部的一端是通過軸承與集料池1的內壁固定在一起的,滑桿9的左右兩端均是通過螺釘固定在集料池1的內部的,清洗組件10在絲桿8和滑桿9上移動,可以自動對集料池1的內壁進行清洗,不需要人工清洗,節省了人力,同時也可保證集料池1內壁的清潔效果,避免集料池1內壁清洗不干凈。
所述清洗組件10包括連接板101,所述連接板101的一端固定連接有螺紋塊102,所述螺紋塊102與所述絲桿8螺紋連接,所述連接板101的另一端固定連接有滑塊103,所述滑塊103與所述滑桿9滑動連接。
螺紋塊102的一側與連接板101的一側是焊接在一起的,連接板101的另一側是與滑塊103焊接在一起的,連接板101是通過螺紋塊102帶動的,而滑塊103可對連接板101進行限位,保證連接板101可在集料池1中左右移動。
所述連接板101頂部的左右兩側均開設有第一連接槽104,所述第一連接槽104內表面的左右兩側均連通有第二連接槽105。
第一連接槽104是與連接桿108大小適配的槽,數量為2個,且連接桿108在第一連接槽104中是滑動的,每個第一連接槽104內表面連通有2個第二連接槽105,第二連接槽105是與卡塊110大小適配的槽。
所述連接板101的底部設置有固定板106,所述固定板106的底部設置有刮板107,所述固定板106頂部的左右兩側均轉動連接有連接桿108。
刮板107是孰料材質的,與固定板106通過螺釘固定在一起,通過刮板107對集料池1的內壁進行刮洗,避免集料池1池底積累過多雜質,影響玻璃鋼脫硫除塵裝置使用。
所述連接桿108的表面與所述連接板101之間固定連接有彈簧109,所述連接桿108表面的左右兩側且位于所述彈簧109的底部固定連接有卡塊110。
彈簧109是套接在連接桿108的表面的,彈簧109是壓縮彈簧,具有良好的彈性,卡塊110是焊接在連接桿108的表面的。
所述集料池1外表面的右側設置有出液管11,所述集料池1外表面的右側且位于所述出液管11的背面固定連接有水箱12。
出液管11是與集料池1焊接在一起的,出液管11上設置有閥門,水箱12一側的偏上方是與集料池1連通的,同時水箱12中設置有濾網,可對集料池1上層的水進行過濾回收再利用。
所述水箱12的頂部設置有進液管13,所述進液管13的一端貫穿所述除塵箱2且延伸至所述除塵箱2的內部,所述進液管13外表面的底部設置有噴頭14。
進液管13是折型管,一端延伸到除塵箱2的內部,且與除塵箱2的內壁焊接在一起,噴頭14的數量為若干個,是螺紋連接在進液管13上的。
工作原理:除塵箱2對氣體進行處理后,工作人員首先轉動兩根連接桿108,使卡塊110的位置與第二連接槽105的位置對齊,之后松開手中的連接桿108,一直處于壓縮狀態的彈簧109需要恢復形變,從而將連接桿108和固定板106向下移動,從而使刮板107可以與集料池1的底部接觸,之后便可通過控制開關控制電機7啟動,電機7啟動后帶動絲桿8轉動,在絲桿8轉動的同時,螺紋塊102帶動整個清洗組件10沿著絲桿8和滑桿9向集料池1右側移動,清洗組件10移動時,刮板107與集料池1內壁的底部接觸,將集料池1底部的臟污刮下來,在螺紋塊102移動到集料池1內壁的右側后,與內壁上的開關接觸,電機7開始反轉,從而使清洗組件10沿著絲桿8再向集料池1內壁的左側移動,通過電機7、絲桿8及滑桿9與清洗組件10之間的配合,使清洗組件10可在集料池1內部左右移動,從而對集料池1內壁的底部進行刮洗,避免集料池1底部聚集過多垃圾,影響除塵裝置對廢棄進行處理,同時也會影響水箱12對集料箱1中廢水的再利用。
當集料池1內部清洗干凈后,工組人員便可在清洗組件10移動到集料池1的左側時關閉電機7電源,之后工作人員便可打開出液管11上的閥門,時集料池1內部的臟水排出,同時工作人員也需再次拉動連接桿108,一直將連接桿108向固定板106頂部拉動,直到卡塊110沿著第二連接槽105移動到固定板106頂部,之后便可轉動連接桿108,使卡塊110的位置不再與第二連接槽105對齊,隨后便可松開手中的連接桿108,卡塊110與固定板106接觸,限制刮板107的高度,避免刮板107等一直浸沒再集料池1內部的水中,長時間對刮板107等造成損壞。
之后工作人員便可接通事項12內部水泵的電源,然后水箱12中的水通過進液管13和噴頭14的配合,均勻噴灑出來,將廢氣中的雜質過濾下來,使其沿著連通孔3進入集料池1中,并在集料池1中進行沉淀。
在本實用新型中,除非另有明確的規定和限定,第一特征在第二特征之 “上”或之“下”可以包括第一和第二特征直接接觸,也可以包括第一和第二特征不是直接接觸而是通過它們之間的另外的特征接觸。而且,第一特征在第二特征“之上”、“上方”和“上面”包括第一特征在第二特征正上方和斜上方,或僅僅表示第一特征水平高度高于第二特征。第一特征在第二特征“之下”、“下方”和“下面”包括第一特征在第二特征正下方和斜下方,或僅僅表示第一特征水平高度小于第二特征。
以上顯示和描述了本實用新型的基本原理、主要特征和本實用新型的優點。本行業的技術人員應該了解,本實用新型不受上述實施例的限制,上述實施例和說明書中描述的僅為本實用新型的優選例,并不用來限制本實用新型,在不脫離本實用新型精神和范圍的前提下,本實用新型還會有各種變化和改進,這些變化和改進都落入要求保護的本實用新型范圍內。本實用新型要求保護范圍由所附的權利要求書及其等效物界定。
技術領域
本實用新型涉及除塵裝置領域,尤其涉及一種玻璃鋼脫硫除塵裝置。
背景技術
玻璃鋼即纖維強化塑料,一般指用玻璃纖維增強不飽和聚酯、環氧樹脂與酚醛樹脂基體,以玻璃纖維或其制品作增強材料的增強塑料,稱謂為玻璃纖維增強塑料,或稱為玻璃鋼,不同于鋼化玻璃。
玻璃鋼學名纖維增強塑料,即纖維增強復合塑料。根據采用的纖維不同分為玻璃纖維增強復合塑料,碳纖維增強復合塑料,硼纖維增強復合塑料等,現有的玻璃鋼在生產過程中需要使用脫硫除塵裝置對煙氣進行噴淋水洗,使雜質沉淀到池底,但是水池內沉淀的灰塵大多是采用人工處理的方式,效率低的同時也浪費人工。
實用新型內容
本實用新型的目的在于提供一種玻璃鋼脫硫除塵裝置,以解決上述技術問題。
本實用新型為解決上述技術問題,采用以下技術方案來實現:一種玻璃鋼脫硫除塵裝置,包括集料池,所述集料池頂部的右側固定連接有除塵箱,所述除塵箱內表面的底部開設有連通孔,所述除塵箱外表面的左側固定連接有進氣管,所述進氣管的一端貫穿所述除塵箱且延伸至所述除塵箱的內部,所述除塵箱的頂部開設有出氣口,所述集料池外表面的左側固定連接有支撐板,所述支撐板的頂部固定連接有電機,所述電機輸出軸的一端通過聯軸器固定連接有絲桿,所述絲桿的一端貫穿所述集料池且與所述集料池內表面的右側轉動連接,集料池的內表面且位于所述絲桿的背面固定連接有滑桿,所述絲桿的表面螺紋連接有清洗組件,所述清洗組件的一端與所述滑桿滑動連接。
通過在集料池中設置電機、絲桿及滑桿,使清洗組件可在絲桿和滑桿的帶動下移動,刮板與集料池內壁的底部接觸,將集料池底部的臟污刮下來,在螺紋塊移動到集料池內壁的右側后,與內壁上的開關接觸,電機開始反轉,從而使清洗組件沿著絲桿再向集料池內壁的左側移動,通過電機、絲桿及滑桿與清洗組件之間的配合,使清洗組件可在集料池內部左右移動,從而對集料池內壁的底部進行刮洗,避免集料池底部聚集過多垃圾,影響除塵裝置對廢棄進行處理,同時也會影響水箱對集料箱中廢水的再利用。
進一步地,所述清洗組件包括連接板,所述連接板的一端固定連接有螺紋塊,所述螺紋塊與所述絲桿螺紋連接,所述連接板的另一端固定連接有滑塊,所述滑塊與所述滑桿滑動連接。
進一步地,所述連接板頂部的左右兩側均開設有第一連接槽,所述第一連接槽內表面的左右兩側均連通有第二連接槽。
進一步地,所述連接板的底部設置有固定板,所述固定板的底部設置有刮板,所述固定板頂部的左右兩側均轉動連接有連接桿。
進一步地,所述連接桿的表面與所述連接板之間固定連接有彈簧,所述連接桿表面的左右兩側且位于所述彈簧的底部固定連接有卡塊。
清洗組件使用好后,還可將連接桿、刮板等向上拉動,使刮板與集料池底部有一定距離,避免刮板等一直浸沒再集料池內部的水中,長時間對刮板等造成損壞。
進一步地,所述集料池外表面的右側設置有出液管,所述集料池外表面的右側且位于所述出液管的背面固定連接有水箱。
進一步地,所述水箱的頂部設置有進液管,所述進液管的一端貫穿所述除塵箱且延伸至所述除塵箱的內部,所述進液管外表面的底部設置有噴頭。
本實用新型的有益效果是:
本實用新型通過在集料池中設置電機、絲桿及滑桿,使清洗組件可在絲桿和滑桿的帶動下移動,刮板與集料池內壁的底部接觸,將集料池底部的臟污刮下來,在螺紋塊移動到集料池內壁的右側后,與內壁上的開關接觸,電機開始反轉,從而使清洗組件沿著絲桿再向集料池內壁的左側移動,通過電機、絲桿及滑桿與清洗組件之間的配合,使清洗組件可在集料池內部左右移動,從而對集料池內壁的底部進行刮洗,避免集料池底部聚集過多垃圾,影響除塵裝置對廢棄進行處理,同時也會影響水箱對集料箱中廢水的再利用,清洗組件使用好后,還可將連接桿、刮板等向上拉動,使刮板與集料池底部有一定距離,避免刮板等一直浸沒再集料池內部的水中,長時間對刮板等造成損壞。
附圖說明
圖1為本實用新型的內部結構示意圖;
圖2為本實用新型的集料池的內部結構俯視圖;
圖3為本實用新型的清洗組件的內部結構示意圖;
圖4為本實用新型的外部結構示意圖。
附圖標記:1-集料池、2-除塵箱、3-連通孔、4-進氣管、5-出氣口、6-支撐板、7-電機、8-絲桿、9-滑桿、10-清洗組件、101-連接板、102-螺紋塊、103-滑塊、104-第一連接槽、105-第二連接槽、106-固定板、107-刮板、108-連接桿、109-彈簧、110-卡塊、11-出液管、12-水箱、13-進液管、14-噴頭。
具體實施方式
為了使本實用新型實現的技術手段、創作特征、達成目的與功效易于明白了解,下面結合具體實施例和附圖,進一步闡述本實用新型,但下述實施例僅僅為本實用新型的優選實施例,并非全部。基于實施方式中的實施例,本領域技術人員在沒有做出創造性勞動的前提下所獲得其它實施例,都屬于本發明的保護范圍。
下面結合附圖描述本實用新型的具體實施例。
如圖1-4所示,一種玻璃鋼脫硫除塵裝置,包括集料池1,所述集料池1頂部的右側固定連接有除塵箱2,所述除塵箱2內表面的底部開設有連通孔3,所述除塵箱2外表面的左側固定連接有進氣管4,所述進氣管4的一端貫穿所述除塵箱2且延伸至所述除塵箱2的內部,所述除塵箱2的頂部開設有出氣口5,所述集料池1外表面的左側固定連接有支撐板6,所述支撐板6的頂部固定連接有電機7,所述電機7輸出軸的一端通過聯軸器固定連接有絲桿8,所述絲桿8的一端貫穿所述集料池1且與所述集料池1內表面的右側轉動連接,集料池1的內表面且位于所述絲桿8的背面固定連接有滑桿9,所述絲桿8的表面螺紋連接有清洗組件10,所述清洗組件10的一端與所述滑桿9滑動連接。
集料池1的長度比除塵箱2的長度長,除塵箱2的底部與集料池1的頂部是焊接在一起的,除塵箱2的內部是用來對氣體中的灰塵進行處理的,避免灰塵直接排放到外界環境中,對環境造成污染,連通孔3是上大下小的,方便水和雜質一起留到集料池1中,進氣管4的一端是與玻璃鋼上產裝置連接的,支撐板6的一側是與集料池1的外表面通過螺栓固定在一起的,電機7的底部是通過螺栓與支撐板6固定在一起的,電機7是減速電機,通過電源線與外部電源連接,絲桿8延伸進集料池1內部的一端是通過軸承與集料池1的內壁固定在一起的,滑桿9的左右兩端均是通過螺釘固定在集料池1的內部的,清洗組件10在絲桿8和滑桿9上移動,可以自動對集料池1的內壁進行清洗,不需要人工清洗,節省了人力,同時也可保證集料池1內壁的清潔效果,避免集料池1內壁清洗不干凈。
所述清洗組件10包括連接板101,所述連接板101的一端固定連接有螺紋塊102,所述螺紋塊102與所述絲桿8螺紋連接,所述連接板101的另一端固定連接有滑塊103,所述滑塊103與所述滑桿9滑動連接。
螺紋塊102的一側與連接板101的一側是焊接在一起的,連接板101的另一側是與滑塊103焊接在一起的,連接板101是通過螺紋塊102帶動的,而滑塊103可對連接板101進行限位,保證連接板101可在集料池1中左右移動。
所述連接板101頂部的左右兩側均開設有第一連接槽104,所述第一連接槽104內表面的左右兩側均連通有第二連接槽105。
第一連接槽104是與連接桿108大小適配的槽,數量為2個,且連接桿108在第一連接槽104中是滑動的,每個第一連接槽104內表面連通有2個第二連接槽105,第二連接槽105是與卡塊110大小適配的槽。
所述連接板101的底部設置有固定板106,所述固定板106的底部設置有刮板107,所述固定板106頂部的左右兩側均轉動連接有連接桿108。
刮板107是孰料材質的,與固定板106通過螺釘固定在一起,通過刮板107對集料池1的內壁進行刮洗,避免集料池1池底積累過多雜質,影響玻璃鋼脫硫除塵裝置使用。
所述連接桿108的表面與所述連接板101之間固定連接有彈簧109,所述連接桿108表面的左右兩側且位于所述彈簧109的底部固定連接有卡塊110。
彈簧109是套接在連接桿108的表面的,彈簧109是壓縮彈簧,具有良好的彈性,卡塊110是焊接在連接桿108的表面的。
所述集料池1外表面的右側設置有出液管11,所述集料池1外表面的右側且位于所述出液管11的背面固定連接有水箱12。
出液管11是與集料池1焊接在一起的,出液管11上設置有閥門,水箱12一側的偏上方是與集料池1連通的,同時水箱12中設置有濾網,可對集料池1上層的水進行過濾回收再利用。
所述水箱12的頂部設置有進液管13,所述進液管13的一端貫穿所述除塵箱2且延伸至所述除塵箱2的內部,所述進液管13外表面的底部設置有噴頭14。
進液管13是折型管,一端延伸到除塵箱2的內部,且與除塵箱2的內壁焊接在一起,噴頭14的數量為若干個,是螺紋連接在進液管13上的。
工作原理:除塵箱2對氣體進行處理后,工作人員首先轉動兩根連接桿108,使卡塊110的位置與第二連接槽105的位置對齊,之后松開手中的連接桿108,一直處于壓縮狀態的彈簧109需要恢復形變,從而將連接桿108和固定板106向下移動,從而使刮板107可以與集料池1的底部接觸,之后便可通過控制開關控制電機7啟動,電機7啟動后帶動絲桿8轉動,在絲桿8轉動的同時,螺紋塊102帶動整個清洗組件10沿著絲桿8和滑桿9向集料池1右側移動,清洗組件10移動時,刮板107與集料池1內壁的底部接觸,將集料池1底部的臟污刮下來,在螺紋塊102移動到集料池1內壁的右側后,與內壁上的開關接觸,電機7開始反轉,從而使清洗組件10沿著絲桿8再向集料池1內壁的左側移動,通過電機7、絲桿8及滑桿9與清洗組件10之間的配合,使清洗組件10可在集料池1內部左右移動,從而對集料池1內壁的底部進行刮洗,避免集料池1底部聚集過多垃圾,影響除塵裝置對廢棄進行處理,同時也會影響水箱12對集料箱1中廢水的再利用。
當集料池1內部清洗干凈后,工組人員便可在清洗組件10移動到集料池1的左側時關閉電機7電源,之后工作人員便可打開出液管11上的閥門,時集料池1內部的臟水排出,同時工作人員也需再次拉動連接桿108,一直將連接桿108向固定板106頂部拉動,直到卡塊110沿著第二連接槽105移動到固定板106頂部,之后便可轉動連接桿108,使卡塊110的位置不再與第二連接槽105對齊,隨后便可松開手中的連接桿108,卡塊110與固定板106接觸,限制刮板107的高度,避免刮板107等一直浸沒再集料池1內部的水中,長時間對刮板107等造成損壞。
之后工作人員便可接通事項12內部水泵的電源,然后水箱12中的水通過進液管13和噴頭14的配合,均勻噴灑出來,將廢氣中的雜質過濾下來,使其沿著連通孔3進入集料池1中,并在集料池1中進行沉淀。
在本實用新型中,除非另有明確的規定和限定,第一特征在第二特征之 “上”或之“下”可以包括第一和第二特征直接接觸,也可以包括第一和第二特征不是直接接觸而是通過它們之間的另外的特征接觸。而且,第一特征在第二特征“之上”、“上方”和“上面”包括第一特征在第二特征正上方和斜上方,或僅僅表示第一特征水平高度高于第二特征。第一特征在第二特征“之下”、“下方”和“下面”包括第一特征在第二特征正下方和斜下方,或僅僅表示第一特征水平高度小于第二特征。
以上顯示和描述了本實用新型的基本原理、主要特征和本實用新型的優點。本行業的技術人員應該了解,本實用新型不受上述實施例的限制,上述實施例和說明書中描述的僅為本實用新型的優選例,并不用來限制本實用新型,在不脫離本實用新型精神和范圍的前提下,本實用新型還會有各種變化和改進,這些變化和改進都落入要求保護的本實用新型范圍內。本實用新型要求保護范圍由所附的權利要求書及其等效物界定。

圖 1

圖 2

圖 3

圖 4



